产品类别:XGN 15-12单元式六氟化硫环网柜
产品价格:面谈
一、产品概述
XGN15-12型箱式(固定)金属封闭环网开关设备(以下简称环网柜),适用于交流12kV、50Hz的配电系统中。广泛地用于城市电网建设和改造工程、工矿企业、高层建筑和公共设施等,作为环网供电单元和终端设备,起着电能的分配、控制和电气设备的保护作用,也可
装在箱式变电站中。本环网柜符合IEC420《高压交流负荷开关—熔断器组合电器》、GB3906《3.6~40.5kV交流金属封闭开关设备的控制设备》的有关规定。
XGN15-12型环网开关柜壳体采用覆铝锌板、镀锌板或冷轧板经数控机械加工成型,面板喷塑处理。开关柜由母线室、开关本体、电缆室、机构操作及控制室四个相互隔离的间隔组成。柜后设置泄压通道,柜体结构合理,紧凑实用,体积小,具有操作方便灵活,五防联锁
完善可靠,安装简单方便,运行安/全稳定,可扩展等特点
· 母线室:在开关柜上部,三相主母排纵向搭接,整组柜依次联接;
· 开关室:配置三工位(或二工位)SF6负荷开关,开关下端带传感器,可选配气压表或气压接点,常用手动操作机构,也可加装电动操作机构;
· 电线室:装有电缆端接头,小室内可加装电流、电压互感器、避雷器。出线柜配置熔断器组合装置,配熔断器熔断脱扣联销,传感器,接地开关。底部开电缆孔。下门有观察窗、把手、铭牌等;
· 操作控制室:II型开关柜机构配压缩式弹簧操作机构,进线带接地(或闭销)操作孔、合分闸操作孔;出线机构本体带接地操作孔、合闸操作孔、分闸操作孔;机构可加装电动操作装置;III型开关柜机构配卷式弹簧操作机构,配中/央联锁滑动装置,带接地、合分闸操
作孔。机构可加装电动操作装置;进出线开关柜面板均带合、分闸指示;出线配熔断器脱扣显示;上门面配带电显示器,一次模拟示意面膜,操作说明等;也可加装电动操作按钮指示灯及指示仪表;
· 标准配置:标准配备国产FLN36型、FLN48型、ABB-SFG型、MG-SC6型SF6负荷开关或SF6负荷开关-熔断器组合电器;
· 常用配置:根据设计要求配置GN30型、GN19型隔离开关, 固定式ABB-VD4型、HD4型、国产VS1型,VHN型、ZN28 型、ISM型、EV型等各类真空(或SF6)断路器,各型号交流真空接触器;
· 功能配置:可按一次设计方案设计组成进线拒、出线柜、PT柜、计量柜、联络柜、提升柜、备用电源自投柜等不同功能的开关柜。
· 继电保护:选用本型固定式断路器通常可配备各类型综合保护或分离元件保护,可选配配电综合自动化系统。
二、产品型号及含义

三、使用环境条件
·海拔不超过2500米;
·环境湿度-25℃ ∽ 40℃;
·相对湿度:日平均值不大于95%,月平均值不大于90;
·抗震能力8度;
·无剧烈震动、腐蚀、火灾、爆炸危险的场所
四、结构特征
环网柜的外壳由基本骨架、顶板、面板、侧板组成封闭结构。环网柜的顶部为母线室,母线室的前面为仪表室,两室之间用钢板隔开,柜的上部为负荷开关室,中下部为电缆进出线和其它元件室。环网柜主要设备有真空负荷开关、隔离开关(或带熔断器隔离刀闸)、接地开关、避雷器、操作机构、联锁机构及测量、计量回路等组成。

五、技术参数

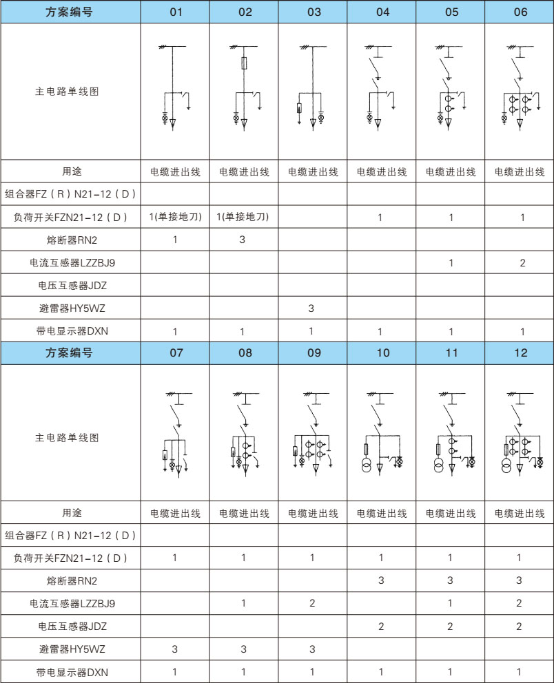
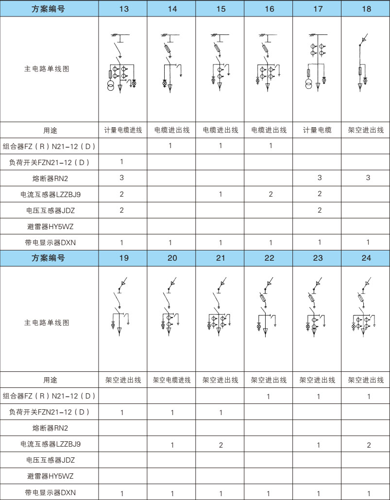
六、一次方案图



七、外形及安装尺寸
1、环网柜外形尺寸见图2
2、环网柜地基固定尺寸见图3

八、订货须知
订货时须提供以下技术资料:
1、一次线路方案、编号或一次系统图;
2、二次电气原理图及相关的设备名称、规格;
3、高压开关柜平面布置图;
4、对于特殊要求的,在订货时须明确书面提出,共同协商。
富邦电气,专业从事各类三箱,高低压成套电器设备及箱式变电站、母线桥架的生产制造
备案号:苏ICP备2024113023号 E-mail:12011753#qq.com(#换成@)