产品类别:PZ30系列配电箱
产品价格:面谈
一、产品概述
PZ30模数化终端组合电器是一种安装终端电器的装置,它主要的特点是采用的电器尺寸模数化、安装轨道化、外形艺术化、使用安/全化,在国内外已被广泛应用。
本系列照明箱可作动力照明、电动机控制,对电路进行过载、漏电及短路保护之用。广泛适用于工业和名用建筑、工矿企业、大厦、车站、医/院、学/校、住宅等。
产品符合GB7251.1、GB7251.3《低压成套开关设备和控制设备》及IEC60439-3《低压成套开关设备和控制设备》等标准。
二、产品型号组成及含义

三、适用范围
适用于高层建筑,宾馆商/场,车站港口,工矿企业及民用住宅等场所,作为线路控制和配电的一种成套装置,适用于额定电压为220V或380V负载总电流不大于100A单相三线和三相互线的末端电路中,能对用点设备进行控制,对过载、短路、过电压和漏电起保护作用,尤其适用于非专业人员使用。
四、正常使用条件
·海拔高度:≤2000m
·环境温度:-5℃~+40℃
·污染等级:工业用为3级,家用和类似用途为2级。
·无经常性的剧烈振动的场所。
五、机构特征
PZ30终端组合电器主要结构部件有透明罩、上盖、箱体、安装轨、导电排、接线座、护线罩和电器开关元件等全部采用宽度为9mm模数的电气,安装于顶帽形轨道上,可根据需要任意组合,拆装迅速方便,开关元件手柄外露,带电及其它部分遮盖于上盖内部,打开门可方便地操作,使用安/全可靠。箱体上下、左右及背后均设置进出线孔,便于接线。
箱体为铁壳结构,即可用于明装式,又可暗装式。
六、技术参数
·透明门:单排、双排向上开启式
·配电箱额定电流:100A
·保护等级:IP30
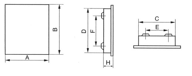
七、外形与安装尺寸


八、订货须知
·用户如只需空箱,请写明空箱的型号,如PZ30(R)-配电箱即可。
·用户如需配置断路器,订货时请写明配置的小型断路器的规格型号、数量等。
·用户也可提供电气原理图、箱体的类型等按要求给予制作。
富邦电气,专业从事各类三箱,高低压成套电器设备及箱式变电站、母线桥架的生产制造
备案号:苏ICP备2024113023号 E-mail:12011753#qq.com(#换成@)