产品类别:FGGD户内交流固定式低压配电柜
产品价格:面谈
一、产品概述
FGGD低压固定式开关柜,是我国研制开发且广泛使用的一种新型固定式低压成套开关设备。本开关柜符合IEC60439《低压成套开关设备和控制设备》、GB7251.1《低压成套开关设备和控制设备》等标准。
二、产品型号含义

三、使用条件
1、户内使用,使用地点的海拔高度不超过2000m,(2000m以上应进行高海拔修正);
2、周围空气温度不高于+40℃,并且24h内平均温度不高于+35℃,周围空气温度不低于-5℃;
3、大气条件:空气清洁,相对湿度在温度+40℃时不超过50%,在温度较低时允许有较高的相对湿度,例如+20℃时为90%;
4、没有火灾,爆炸危险,严重污染,化学腐蚀及震动的场所;
5、与垂直面倾斜不超过5°。
本产品适合以下温度运输储存:-25℃~+55℃,在短时间内(不超过24h)不超过+70℃。
如上所述使用条件不能满足时,应由用户在订货时向我公司协商解决。
四、结构特点
1、开关柜的柜体采用通用柜的形式,构架用8MF型材局部焊接组装而成,构架零件及专用配套零件由型材定点生产厂配套供货,以保证柜体的精度和质量。
2、通用柜的零部件按模数化原理设计,并有以20为模数的安装孔,通用系数高,可以使工厂实现预生产。既缩短了生产周期,也提高了工作效率。
3、GGD设计时充分考虑到柜体运行中的散热的问题,在柜体上下两端均有不同数量的散热槽孔,当柜内电器元件发热后,热量上升,通过上端槽孔排出,而冷风不断地由下端槽孔补充进柜,使密封的柜体自下而上形成一个自然通风道,达到散热的目的。
4、柜门用转轴式活动铰链与构架相连、安装、拆卸方便。门的拆边处均嵌有一根山型橡塑条,关门时门与构架之间的嵌条有一定的压缩行程,能防止门与柜体直接碰撞,也提高了柜体的防护等级。
5、装有电器元件的仪表门用多股软铜线与构架相连。柜内安装件与构架间用滚花螺钉连接,整柜构成完整的接地保护电路。
6、柜体面漆选用聚酯桔形烘漆,附着力强,质感好。整柜呈亚光色调,避免了眩光效应,给值班人员创造了较舒/适的视觉环境,但也可根据用户需要采用先进的喷塑工艺,颜色由用户选定。
7、柜体的顶盖在需要时可拆除,便于现场主母线的装配和调整,柜顶的四角装有吊环用于起吊和装运。
8、柜体的防护等级为IP30,用户也可根据使用环境的要求在IP20~IP40之间选择。
9、产品的外形尺寸:高2200;宽600.800.1000.1200;深600.800。
五、技术参数

六、外形示意图

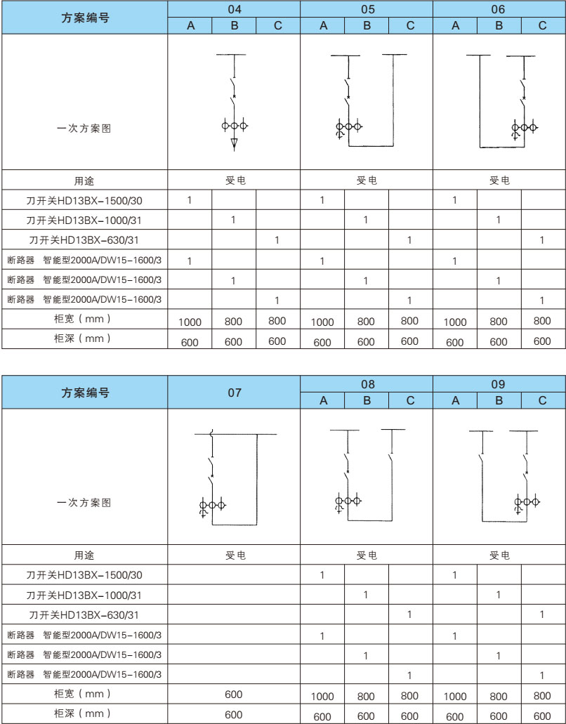
七、一次方案图



八、安装示意图


九、订货须知
用户订货时应提供如下资料:
1、产品的全型号(包括主电路方案号和辅助电路方案号);
2、主电路系统组合顺序图;
3、辅助电路电气原理图;
4、柜内电器元件清单;
5、其它与产品正常使用条件不符的特殊要求。
富邦电气,专业从事各类三箱,高低压成套电器设备及箱式变电站、母线桥架的生产制造
备案号:苏ICP备2024113023号 E-mail:12011753#qq.com(#换成@)